电源性质指的是什么(电源性质和电源类型)
一、电源系统的类型:1、按输出特性分类:一般来说,电器系统中的电源,其任务就是为电器系统中的各种电路提供电能。由于电路的类型各易、功能有别,因此🌠对电源供给也有不同的要求。这就给电源输出提出了各种各样的要求:①恒压电源:又叫稳压电源,要...
一、电源系统的类型:1、按输出特性分类:一般来说,电器系统中的电源,其任务就是为电器系统中的各种电路提供电能。由于电路的类型各易、功能有别,因此🌠对电源供给也有不同的要求。这就给电源输出提出了各种各样的要求:①恒压电源:又叫稳压电源,要...
前言本文将分别着重介绍控制电路常用电器元件之继电器。帮你了解各系列继电器的性能,继电器的用途,规格,型号,以及技术数据。各种型号常用继电器简介:继电器目前常用继电器有多种型号;1.JT3直流电磁继电器。2.JT4系🍃列交流电磁继电器。3.....
稳压电源有直流和交流之分,而直流主要运用于电子实验室内,是必备的配置之一。它可以将交流电源转换为直流的电源,从而适合电子设备的使用,而且自带耗电监控,自动调节电压的功能。那么这种电源有哪些类型🍷并且如何ꦕ进行严格的调试呢?1.电源的分类直流稳...
ESD静电保护二极管是专门用于小信号ESD保护或浪涌保护TVS阵列,多用于多路保护,具体封装尺寸小、导通电压低、集成化度高、反应速度快(皮🦩秒-纳秒级)等优点,为输入/输ꦛ出接口和数字与模拟信号线提供了理想的静电保护方案。ESD二极管过静电电压...
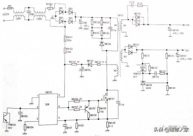
某LED液晶电视采用三合一板,其开关电源在通电后就输出12V、24V电压,实绘电路如下图所示。一、工作原理分析通电后220V交流市电通过保险丝FB1及LCB1、CXB1、LCB2滤除高频干扰后由二极管DB1~DB4桥式整流、电容EB1(10🌠...